| Availability: | |
|---|---|
| Quantity: | |
|
Product Positioning
![]() | ![]() | ![]() |
General-Purpose Basic Equipment This equipment is designed for traction and lifting operations involving light to moderate loads. It is versatile and can be utilized across various industries as a general-purpose power traction solution. | Cost-Effective Choice Ideal for users with consistent performance requirements who do not need high-end custom features, this equipment offers a balanced performance at a reasonable price, catering to widespread usage needs. | User-Friendly Operation and Maintenance Engineered for ease of use and maintenance, this equipment minimizes the operational threshold and reduces ongoing maintenance costs, making it suitable for small to medium-sized teams or individual operators. |
|
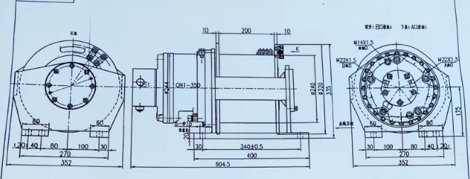
Drawing and Technical Specifications

Model | The 1st layer | Total displacement (ml/r) | Working pressure diff.(MPa) | Rope diameter (mm) | Wire rope Capacity(m) | Layer | |
Pull (kN) | Rope speed(m/min) | ||||||
GW3-30-30-12-ZP | 30 | 23 | 1870 | 18 | 12 | 30 | 2 |
|
Product Advantages
1. Stable Power Output
Utilizing a hydraulic transmission system, this equipment ensures stable power delivery. Within its rated load range, the traction output remains consistent, preventing sudden fluctuations in power and ensuring operational stability.
2. Compact Structure and Easy Installation
With a small overall volume and moderate weight, this equipment occupies minimal space. It is convenient for both fixed installations and temporary setups, requiring low site specifications.
3. Simple and Flexible Operation
Featuring straightforward controls and clear operational guidelines, new users can quickly learn to operate the equipment. It also supports flexible start-stop functions and speed adjustments to accommodate various operational rhythms.
4. High Durability and Low Failure Rate
Constructed from high-quality materials, the core components have undergone rigorous pressure and wear resistance testing. The design adheres to mechanical principles, minimizing component wear and reducing the likelihood of failures.
5. Economical Maintenance Costs
With few types of wear parts that are highly interchangeable, replacement is easy and cost-effective. Daily maintenance involves simple tasks like basic cleaning and lubrication, eliminating the need for a specialized maintenance team.
|
Core Performance
![]() | ![]() | ![]() |
Accurate Rated Load The rated pulling force is precisely controlled at 3 tons. Operating within this load range ensures stable and reliable performance, preventing equipment damage or operational risks associated with mismatched loads. | Adaptable Lifting and Traction Speeds This equipment offers a reasonable range of lifting and traction speeds, meeting the efficiency demands of standard operations while allowing for stable performance adjustments based on different load requirements. | Efficient Hydraulic System The hydraulic motor and other core components deliver excellent performance. The hydraulic circuit is designed for high energy transmission efficiency, minimizing power loss and ensuring effective heat dissipation to prevent overheating during prolonged use. |
![]() | ![]() | ![]() |
Integrated Design The body features an integrated casting or welding structure, providing strong rigidity and impact resistance, capable of withstanding vibrations and load pressures during operation. | Thoughtful Component Layout Core components like the motor and drum are arranged compactly, facilitating easy installation and disassembly, while also simplifying maintenance and inspection, thereby reducing interference between parts. | Scientific Reel Design The reel, made from high-quality steel and treated for anti-slip, effectively prevents the steel wire rope from slipping, ensuring stable traction and lifting operations. Its size is optimized for 3-ton load requirements, allowing for orderly winding of the steel wire rope to minimize wear. |
|
Usage and Maintenance Guidelines
Pre-Operation Inspection
Before use, check the hydraulic oil level, inspect for leaks in the hydraulic system, ensure the braking device is responsive, and examine the steel wire rope for wear or damage. Only start the equipment after all checks are confirmed.
Standard Operating Procedures
Always operate within the rated load to avoid overload. Start and stop smoothly to prevent sudden acceleration or braking, which can impact the equipment. If any abnormal noise or failure occurs, stop immediately and conduct an inspection.
Daily Maintenance
Regularly clean the equipment's surface and key components to remove dust and oil. Check the quality of the hydraulic oil and replace any aging oil promptly. Lubricate rotating components regularly to ensure smooth operation.
Long-Term Storage Precautions
For extended periods of non-use, clean the equipment thoroughly and store it in a dry, ventilated area to prevent moisture and rust. Loosen the steel wire rope to avoid deformation from prolonged tension.
| FAQ
Q: Can you customize a hydraulic winch according to my needs?
A: Yes, we can customize features such as pulling force, rope length, or rope speed.
Q: How should I store it if not used for a long time?
A: Storage is straightforward! Clean the body to remove dust and oil, check the hydraulic oil level and add if necessary to prevent rust, apply protective oil to the steel wire rope, wind it neatly, and store it in a dry, ventilated place away from direct sunlight. Before the next use, run it empty for a few minutes and check for faults.
Q: Do you support OEM/ODM services?
A: Yes! We offer both OEM and ODM services. Whether you want to add your brand logo or design exclusive products, we can accommodate your needs. Just provide your brand information, design requirements, or technical parameters, and our engineers will ensure the product aligns with your brand positioning and maintains high quality.
Q: Can the hydraulic winch be used to carry people?
A: Absolutely not! This equipment is specifically designed for lifting heavy objects and pulling goods, with no safety features for carrying people. Using it for such purposes poses a risk of falling and equipment failure. Always adhere to its intended use.
Q: How much space is needed to install a hydraulic winch?
A: Minimal space is required! Its compact structure and lightweight design mean it occupies a footprint similar to a small wardrobe. It can be flexibly placed on a ship deck or mining equipment, with installation positions adjustable in any direction, eliminating the need for a large dedicated space.
Hot Tags: 3 tons hydraulic winch, China 3 tons hydraulic winch manufacturers, suppliers, factory
Top Heavy Equipment Undercarriage Manufacturers And Suppliers in Malaysia
Top Heavy Equipment Undercarriage Manufacturers And Suppliers in South Korea
Top Heavy Equipment Undercarriage Manufacturers And Suppliers in Kazakhstan
Top Heavy Equipment Undercarriage Manufacturers And Suppliers in Georgia
Top Heavy Equipment Undercarriage Manufacturers And Suppliers in Philippines
Top Heavy Equipment Undercarriage Manufacturers And Suppliers in Azerbaijan
Top Heavy Equipment Undercarriage Manufacturers And Suppliers in Armenia
Top Heavy Equipment Undercarriage Manufacturers And Suppliers in Iran
Top Heavy Equipment Undercarriage Manufacturers And Suppliers in Turkey
Top Heavy Equipment Undercarriage Manufacturers And Suppliers in Russia