| Availability: | |
|---|---|
| Quantity: | |

|
Product Design Concept
Introducing the 14T Hydraulic Winch, a cutting-edge solution designed with a focus on practicality, reliability, and efficiency. This winch is engineered to meet the diverse needs of various operational scenarios, ensuring adaptability in complex working environments. Our design philosophy emphasizes simplifying the operation process, making it user-friendly and labor-saving, while minimizing the risk of operational errors. With an optimized structure, the 14T hydraulic winch is compact, easy to transport, and enhances the user experience from the ground up.

|
Product Positioning
The 14T Hydraulic Winch is specifically positioned for medium to large load operations, making it ideal for environments that demand high lifting and pulling forces. Its robust performance capabilities make it an indispensable tool for teams that require stability and flexibility when handling heavy loads. Whether you are in construction, logistics, or any industry that involves heavy lifting, this winch is your reliable partner.
|
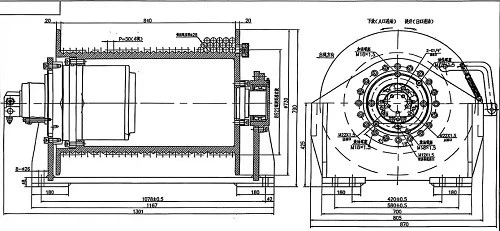
Drawing and Technical Specifications

Model | The 1st layer | Total displacement (ml/r) | Working pressure diff.(MPa) | Rope diameter (mm) | Wire rope Capacity(m) | Layer | |
Pull (kN) | Rope speed(m/min) | ||||||
AF60-140-150-28-ZP | 140 | 1.7 | 21140 | 13.6 | 28 | 150 | 3 |
|
Performance Characteristics
Powerful Power Output
The 14T hydraulic winch is engineered to deliver exceptional pulling power, effortlessly managing loads of up to 14 tons. It excels in lifting and pulling operations across various working conditions, providing the necessary power to tackle even the most challenging tasks. The winch maintains a stable power output, even in complex terrains and high-resistance environments, ensuring consistent performance.
Stable Operation
Safety and efficiency are paramount in any operation. The 14T hydraulic winch operates smoothly, significantly reducing the risks associated with equipment vibration and instability. This stability enhances operational accuracy, allowing for secure and efficient lifting and pulling. Even during prolonged use, the winch exhibits minimal performance fluctuations, ensuring reliability in every task.
Flexible Operation
Designed with user-friendliness in mind, the operation of the 14T hydraulic winch is straightforward and intuitive. Workers can quickly familiarize themselves with the controls, allowing for rapid deployment in various scenarios. The winch offers adjustable running speeds and directions, enabling precise positioning and swift traction to meet the specific demands of each operation.
|
Core Advantages
Low Operation Cost
Investing in the 14T hydraulic winch is not only cost-effective at the point of purchase but also offers low ongoing maintenance and operational costs. Its design facilitates easy daily inspections and repairs, with affordable maintenance materials. The winch requires minimal training for operators, reducing the time and financial investment typically associated with professional training. This combination effectively lowers the overall operational costs for users.
High Reliability
Constructed from high-quality materials, the 14T hydraulic winch undergoes rigorous quality inspections to ensure its reliability under long-term, high-intensity working conditions. This durability minimizes the likelihood of failures, reducing maintenance costs and downtime. The winch is designed to perform reliably even in harsh climates, including high temperatures and humidity.
Wide Applicability
The versatility of the 14T hydraulic winch makes it suitable for a wide range of industries. Its excellent performance and consistent quality allow it to handle various operational tasks with ease. This adaptability positions the winch as a truly universal mechanical device, capable of meeting diverse user needs.
Good Environmental Adaptability
The 14T hydraulic winch is built to withstand various environmental conditions. Whether in low-temperature settings, dusty environments, or areas with corrosive elements, this winch operates effectively. Its protective design shields it from external adverse factors, ensuring stable performance in complex environments.
|
Maintenance
Maintaining the 14T hydraulic winch is straightforward and manageable. Regular inspections of key components for wear and looseness are essential, and any issues should be addressed promptly. Additionally, lubricating oil should be added according to the specified schedule to ensure optimal lubrication of all components, reducing wear and extending the winch's service life. Simple maintenance practices can significantly enhance the longevity and performance of the winch.
|
Why Choose the 14T Hydraulic Winch
![]() | ![]() | ![]() |
Efficient and Stable Operation Performance The 14T hydraulic winch is designed for efficient and stable operation, making heavy lifting and traction tasks straightforward and effective. Its powerful output and stable performance ensure that operations are conducted safely and accurately. | Energy and Cost Savings The compact structure of the 14T hydraulic winch simplifies installation, eliminating the need for complex procedures and excessive auxiliary equipment. Workers can quickly set up and begin using the winch, enhancing operational flexibility. Its durability, combined with strong wear and corrosion resistance, minimizes downtime and replacement costs due to equipment failure. | High Utilization Value and Economy The wide applicability of the 14T hydraulic winch allows it to serve multiple operational tasks across various industries, negating the need for separate equipment for different scenarios. This versatility enhances the equipment's utilization value. Furthermore, the low operational costs alleviate the financial burden on users, from initial purchase to ongoing maintenance and training, making it a practical and economical choice. |
|
Frequently Asked Questions
Q: How long has your factory been manufacturing winches?
A: Our factory has been in the winch manufacturing business for over 10 years, gaining extensive experience in this industry.
Q: Can you guarantee the quality of the winches produced?
A: Absolutely! We conduct rigorous quality inspections on every component throughout the production process to ensure the highest product quality.
Q: If I encounter an issue with the winch, will the factory offer assistance?
A: Yes, we provide comprehensive after-sales support to help resolve any issues that may arise during the use of the winch.
Q: Does the factory offer other types of winches apart from the 14T hydraulic winch?
A: Yes, our factory manufactures a variety of winches with different specifications and types to cater to diverse usage requirements.
Hot Tags: 14t hydraulic winch, China 14t hydraulic winch manufacturers, suppliers, factory
Top Heavy Equipment Undercarriage Manufacturers And Suppliers in Philippines
Top Heavy Equipment Undercarriage Manufacturers And Suppliers in Azerbaijan
Top Heavy Equipment Undercarriage Manufacturers And Suppliers in Armenia
Top Heavy Equipment Undercarriage Manufacturers And Suppliers in Iran
Top Heavy Equipment Undercarriage Manufacturers And Suppliers in Turkey
Top Heavy Equipment Undercarriage Manufacturers And Suppliers in Russia
Top Heavy Equipment Undercarriage Manufacturers And Suppliers in Indonesia
Top Heavy Equipment Undercarriage Manufacturers And Suppliers in Australia
Top Heavy Equipment Undercarriage Manufacturers and Suppliers in Brazil
Top VTS Track System Parts Manufacturers And Suppliers in Hungary