| Availability: | |
|---|---|
| Quantity: | |
|
Brief Introduction to Industrial Slewing Drives
Industrial Slewing Drives are compact transmission devices that integrate reducer, slewing bearing and drive system. Featuring compact design and strong load capacity, they provide smooth and precise rotational movement.
|
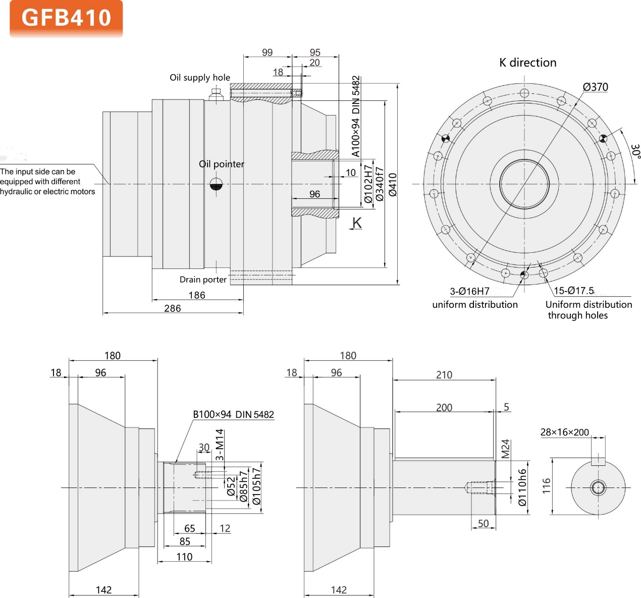
Complete Overview of GFB410 Reducer
The GFB410 reducer is a general-purpose industrial gear reduction unit featuring parallel shaft helical gear transmission structure, specifically designed for conventional industrial applications. This product achieves an excellent balance between transmission efficiency, operational stability and cost-effectiveness, making it suitable for various mechanical equipment power transmission needs under medium-load conditions.
|
Technical Parameters

Model | Output Torque (N.m) | Ratio | Hydraulic Motor | Max input speed(r/min) | |||||
Rated | Max | One Grade | Two Grade | Three Grade | |||||
GFB410 | 25000 | 35000 | 4.2 5.2 6.2 | 14.7 18.5 26.5 30.2 35.6 42.8 | 60.5 78.7 86.7 112.0 141.4 187.7 | DANFOSS EATON M+S | REXROTH LINDE SAM SAUER | SAI DINAMIC OIL CALZONI | 3500 |
| GFB410
Samples

|
Product Positioning
The GFB410 reducer is a medium-load reduction device for general industrial applications, positioned to provide cost-effective and reliable power transmission solutions for various industrial machinery. It is particularly suitable for conventional industrial applications that require a balance between performance and cost.
|
Product Features
1. Durability:
High-strength housing design with excellent impact resistance
Specially strengthened key transmission components
Optimized sealing structure effectively prevents contaminant ingress
2. Smooth Operation:
Precision-machined gear system with low operating noise
Excellent vibration control protects connected equipment
Stable transmission minimizes energy loss
3. Flexibility:
Supports multiple mounting methods for different space constraints
Compatible with various standard motors
Simple maintenance and easy routine servicing
|
Core Advantages
Excellent cost-performance ratio: Superior price advantage at comparable performance levels
High reliability: Proven design ensures long-term stable operation
Strong adaptability: Meets requirements of most conventional industrial environments
Low maintenance cost: Long-life lubrication design reduces service frequency
|
Key Features
1. Robust Construction:
The GFB410 features a heavy-duty housing manufactured from high-grade materials, ensuring long-term durability even in challenging industrial environments. Its design focuses on structural integrity to withstand continuous operation.
2. Efficient Power Transmission:
Engineered for optimal energy transfer, the GFB410 minimizes power loss during operation. Its precision-engineered gears work in harmony to deliver consistent performance without unnecessary energy waste.
3. Versatile Mounting Options:
The reducer's design accommodates multiple mounting configurations, providing flexibility for different installation requirements. This adaptability makes it suitable for various industrial layouts and space constraints.
4. Smooth Operation:
Advanced engineering ensures quiet and vibration-free performance, contributing to overall system stability and operator comfort. The GFB410 maintains consistent operation quality throughout its service life.
5. Maintenance-Friendly Design:
Thoughtful engineering simplifies maintenance procedures, with accessible components that allow for straightforward inspection and service when required. This design philosophy extends the unit's operational lifespan.
6. Environmental Adaptability:
The GFB410 performs reliably across a range of operating temperatures and environmental conditions. Its protective features guard against common industrial contaminants that could affect performance.
|
Practical Application Value
The GFB410 reducer demonstrates multiple practical advantages in actual use: easy installation for quick commissioning; compact structure saves equipment space; economical operation with good energy consumption control; strong versatility for easy equipment matching. These characteristics make it an ideal choice for industrial transmission systems.
|
FAQ
Q: Are you the original manufacturer of the reducers?
A: Yes, we are the original manufacturer with independent R&D and production capabilities, ensuring product quality and stable supply.
Q: What industries are your reducers suitable for?
A: Our reducers are widely used in industries such as construction machinery, ship deck machinery, railway, petroleum, metallurgy, coal mine, agricultural machinery, port and lifting machinery.
Q: What are the advantages of your reducers?
A: Our reducers are made of high-quality materials and precision machining, offering high load capacity, low noise, long service life, and customization options.
Q: What is the typical service life of your reducers?
A: With proper use and maintenance, our reducers can operate stably for a long time, with the exact lifespan depending on working conditions and load.
Q: Do you offer customization services?
A: Yes, we provide customized reducer solutions based on specific requirements, including size, mounting style, and ratio adjustments.
Q: How to choose the right reducer?
A: Key factors include load, speed, installation space, and working environment. Our engineers can assist in selection.
Hot Tags: Industrial Slewing Drives, Slew Drive Motor, Slew Drive, China, Custom, Wholesale, manufacturing company, manufacturers, factory, suppliers, for sale
Top Heavy Equipment Undercarriage Manufacturers And Suppliers in Azerbaijan
Top Heavy Equipment Undercarriage Manufacturers And Suppliers in Armenia
Top Heavy Equipment Undercarriage Manufacturers And Suppliers in Iran
Top Heavy Equipment Undercarriage Manufacturers And Suppliers in Turkey
Top Heavy Equipment Undercarriage Manufacturers And Suppliers in Russia
Top Heavy Equipment Undercarriage Manufacturers And Suppliers in Indonesia
Top Heavy Equipment Undercarriage Manufacturers And Suppliers in Australia
Top Heavy Equipment Undercarriage Manufacturers and Suppliers in Brazil
Top VTS Track System Parts Manufacturers And Suppliers in Hungary
Top VTS Track System Parts Manufacturers And Suppliers in Greece