| Availability: | |
|---|---|
| Quantity: | |
|
Applications
Construction machinery
Petroleum
Coal mining
Geological prospecting
Railroads
Ships
All kinds of aerial work
Truck-mounted crane industry
|
Advantages of Crane Hoisting Winch
1. Exceptional Load Capacity
Can handle up to 80 tons , making them ideal for heavy-duty tasks like offshore platform lifts or industrial machinery installation.
2. Modular and Space-Saving Design
Compact models optimize workspace in factories or shipyards while maintaining high performance.
Modular components simplify upgrades or repairs, minimizing downtime.
3. Durability in Harsh Environments
Built to withstand -40°C to +40°C temperatures, corrosive marine settings, or dusty mining sites.
Corrosion-resistant materials extend lifespan in offshore or industrial applications.
4. Compliance with Global Standards
Meet CE, ISO, and CCS certifications, ensuring reliability and safety in international markets.
| Why Use The Crane Hoisting Winch?
1. Enhanced Lifting Capacity
Increased Load: Winches can handle heavy loads, making them suitable for construction, shipping, and industrial applications.
Mechanical Advantage: They provide a mechanical advantage, allowing fewer workers to lift heavier items safely.
2. Improved Efficiency
Speed: Winches can lift loads quickly, improving overall workflow and productivity on job sites.
3. Safety Features
Stability: Using a winch helps stabilize the load during transport, minimizing the risk of tipping or dropping.
4. Versatility
Multiple Applications: Crane hoisting winches are adaptable for varied industries including construction, maritime, and manufacturing.
| Crane Hoisting Winch
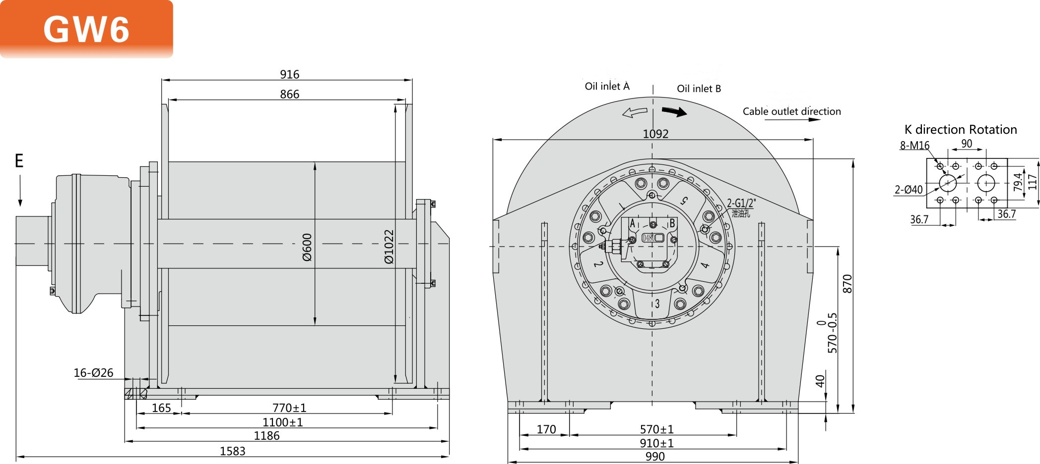
Model | GW6 |
Load capacity | 12-15 ton |
Rope capacity | 20~200 m |
Working speed | 0~50 m/min |
Hydraulic motor | GN6 |
Warranty | 12 months free |
| Technical Parameters

Model | The 1st layer | Reel bottom diameter(mm) | Total displacement (ml/r) | Working pressure diff.(MPa) | Rope diameter (mm) | Wire rope Capacity(m) | Hydraulic motor | Model of planetary reducer | |
Pull (kN) | Rope speed(m/min) | ||||||||
GW6-120-176-30-ZP | 120 | 0-30 | 600 | 16725 | 17 | 30 | 175 | GN6-3000D480101 | C6-5.5 |
GW6-150-150-34-ZP | 150 | 0-25 | 600 | 16725 | 19.8 | 40 | 150 | GN6-3000D480101 | C6-5.5 |
|
Crane Hoisting Winch Samples


|
2.Payment terms ,Delivery and Service
√ Payment: 30%deposit,70% before shipment.All the payment can negotiate, generally by T/T.
√ Delivery: 35-40 days after receipt of your payment.
√ Service: 24 hours online service, technical overseas service
|
3.Packing and shipping

|
FAQ
Q: Can you do the design for us?
A: Yes. We have a professional team having rich experience
Q: What about the lead time for mass production?
A: Honestly, it depends on the order quantity and the season you place the order.
Always 40days based on general order .
Q: What is your terms of delivery?
A: We accept EXW, FOB, CFR, CIF, etc. You can choose the one which is the most convenient
or cost effective for you.
Q: Can you customize for clients?
A: Yes, we can customize as your need, we have R&D department, our designers can make design for you and our technicians make prototype.
We are factory ,we can guarantee our price is first-hand, High quality and competitive price.
Hot Tags: Crane Hoisting Winch, Hoisting Winch Cranes, Hoisting Winch Motor, China, Custom, Wholesale, manufacturing company, manufacturers, factory, suppliers, for sale
Top Heavy Equipment Undercarriage Manufacturers And Suppliers in Philippines
Top Heavy Equipment Undercarriage Manufacturers And Suppliers in Azerbaijan
Top Heavy Equipment Undercarriage Manufacturers And Suppliers in Armenia
Top Heavy Equipment Undercarriage Manufacturers And Suppliers in Iran
Top Heavy Equipment Undercarriage Manufacturers And Suppliers in Turkey
Top Heavy Equipment Undercarriage Manufacturers And Suppliers in Russia
Top Heavy Equipment Undercarriage Manufacturers And Suppliers in Indonesia
Top Heavy Equipment Undercarriage Manufacturers And Suppliers in Australia
Top Heavy Equipment Undercarriage Manufacturers and Suppliers in Brazil
Top VTS Track System Parts Manufacturers And Suppliers in Hungary