| Availability: | |
|---|---|
| Quantity: | |
|
Feature
1.Full-float typed planetary gear reducer makes the operation more stable,the structure more reasonable.
2.Adopt multidisc-typed friction normally-closed brake makes the brake torque larger, safer and more reliable.
3.The product is featured by its small size, compact construction and high transmission efficiency.
4.Free spooling function.
5.Adopt high efficiently hydraulic motor with long use life.
6.The installation bracket can be manufactured according to the customer's requirement.
7.According to the requirement of customers, manufacture the balance valve and shuffle valve special for this winch.
8.Adopt manual, or pneumatic clutch.
9.Manufacture according to GJB82-86 National Military Hydraulic Winch Standard.
|
Applications
Vehicle Recovery: Commonly used by tow trucks and off-road vehicles to recover stuck or overturned vehicles.
Construction Sites: For lifting heavy equipment and materials in challenging terrains.
Marine Applications: Employed in boat rescue operations or for hauling heavy marine equipment.
Industrial Use: Useful in factories and warehouses for lifting heavy loads safely and effectively.
| Advantages of Hydraulic Recovery Winch
High Power-to-Weight Ratio: Hydraulic systems generally provide greater lifting power without significantly increasing weight.
Continuous Duty Cycle: Can operate for longer periods without overheating, making them ideal for intensive recovery tasks.
Efficiency: Offers reduced wear on the components compared to electric winches.
|
When Selecting a Hydraulic Recovery Winch
Capacity Needs: Assess the typical loads you will be recovering to choose an appropriate capacity.
Hydraulic System Compatibility: Ensure that the hydraulic winch is compatible with your vehicle’s hydraulic system or that you have a dedicated pump.
Environment and Use Case: Consider where and how the winch will be used to determine weather resistance and durability requirements.
Accessories: Check whether you need additional recovery gear and ensure compatibility with the winch.
| Hydraulic Recovery Winch
Model | PYJP068 |
Load capacity | 6.8 ton |
Rope capacity | 20~100 m |
Working speed | 0~50 m/min |
Warranty | 12 months free |
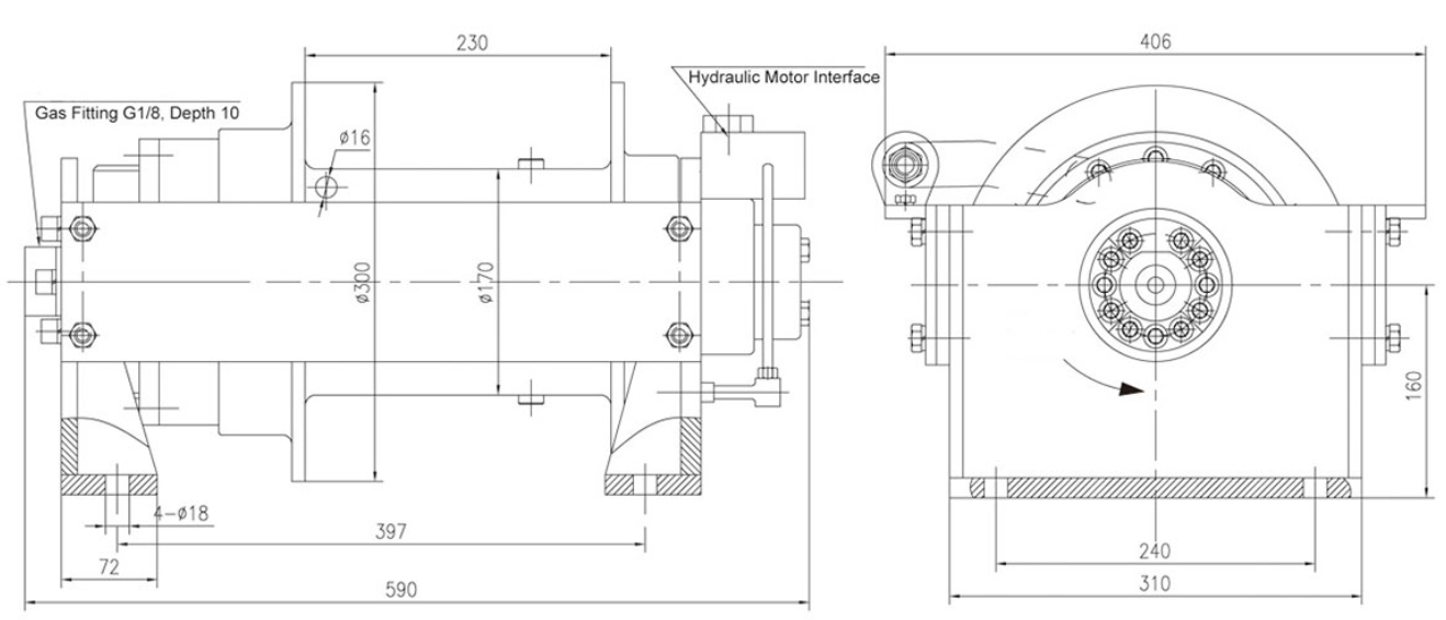
| Technical Parameters

Model | The 1st layer | Response pressure of brake(Mpa) | Oil pressure(Mpa) | Oil flow(L/min) | Drum diameter×Bottom diameter×Length(internal)mm | Drum capacity(m) | Suggested high-intensity wire rope diameter(mm) | Net weight(kg) | |
Rated rope pull (kN) | Rope speed(m/min) | ||||||||
PYJP068 | 68 | 7.5 | 2.5 | 14 | 55 | 330×170×230 | 45 | φ14 | 116 |
|
Hydraulic Recovery Winch

|
2.Payment terms ,Delivery and Service
√ Payment: 30%deposit,70% before shipment.All the payment can negotiate, generally by T/T.
√ Delivery: 35-40 days after receipt of your payment.
√ Service: 24 hours online service, technical overseas service
|
3.Packing and shipping

|
FAQ
01 Are you factory or Trading Company?
A) We are ISO9001 certified factory.
02 What is your company advantages?
A) Over 20 years experience in producing and the product variety is rich.Our planetary reducer/gearbox can be used to replace the gearboxes of BONFIGLIOLI,BREVINI,DINAMIC OIL,REGGIANA RIDUTTORI,REXROTH,ZOLLERN,etc.
B) Strictly quality control regulation and experienced engineer and QC team to ensure the quality qualified
C) Every requirement from our clients must be treated carefully and feedback fast by our experienced staff.Every Order's quality must be highly controlled by our skilled QC team.
D) WIN-WIN business is our goal. Stand in the client's angle to consider.We can give our clients best solutions in product designing,products purchasing ,shipping and quality claim.
E) Ordinary items usually have some stocks,small order can be accepted.
03 How do you control your quality?
A)Produce machine have Regular maintenance.
B)From cutting materials to the end produce process,every step must in according with ISO9001 standard.
C)Materials should be brought from big steel company,Mill Sheet must be showed.QC team must following all produce progress and make detailed testing records of the quality checking.
D)Third Party inspection is accepted.
04 What's your company mainly exporting market?
We mainly export to European Market,North American Market,Australia Market,Mideast and Southeast Asia.Because of good quality and service,we have establish good and long business relations with many clients.Welcome clients from all over the world to our factory for a visit.
Hot Tags: Hydraulic Recovery Winch, Recovery and Winch, Recovery Winches, China, Custom, Wholesale, manufacturing company, manufacturers, factory, suppliers, for sale
Top Heavy Equipment Undercarriage Manufacturers And Suppliers in Philippines
Top Heavy Equipment Undercarriage Manufacturers And Suppliers in Azerbaijan
Top Heavy Equipment Undercarriage Manufacturers And Suppliers in Armenia
Top Heavy Equipment Undercarriage Manufacturers And Suppliers in Iran
Top Heavy Equipment Undercarriage Manufacturers And Suppliers in Turkey
Top Heavy Equipment Undercarriage Manufacturers And Suppliers in Russia
Top Heavy Equipment Undercarriage Manufacturers And Suppliers in Indonesia
Top Heavy Equipment Undercarriage Manufacturers And Suppliers in Australia
Top Heavy Equipment Undercarriage Manufacturers and Suppliers in Brazil
Top VTS Track System Parts Manufacturers And Suppliers in Hungary